
Wkład kominkowy DEFRO Intra SM BP SLIM
Wkład kominkowy stalowy Defro Intra SM BP Slim to idealne rozwiązanie dla pomieszczeń o mniejszej kubaturze i niższym zapotrzebowaniu na energię. Seria DEFRO HOME INTRA SLIM została zaprojektowana z myślą o harmonii między ekologią a nowoczesnym designem, oferując produkty, które doskonale sprawdzą się w domach pasywnych oraz wyposażonych w systemy rekuperacji. Nowoczesna konstrukcja i szczelne palenisko gwarantują oszczędność energii i bezawaryjną obsługę urządzenia.
Defro Intra SM BP Slim cechuje się wysoką efektywnością, dzięki mocy nominalnej 6 kW i sprawności na poziomie 82,7%. Emisja CO przy 13% O2 wynosi zaledwie 0,1%, co podkreśla ekologiczny charakter tego urządzenia. Temperatura spalin wynosi 224°C, a ciąg kominowy 12±2 Pa zapewnia optymalne warunki spalania.
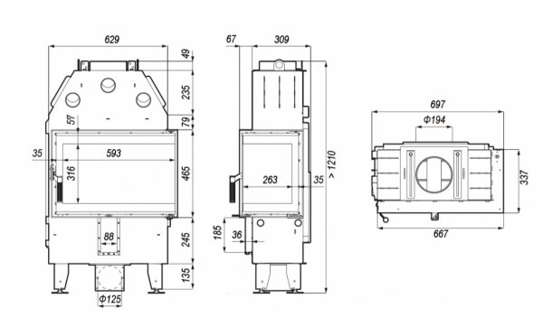
Dzięki średnicy czopucha 200 mm i dolotu powietrza 125 mm, wkład kominkowy Defro Intra SM BP Slim zapewnia efektywną cyrkulację powietrza. Pola czynne wlotu i wylotu wynoszą odpowiednio 300 cm² i 420 cm², co gwarantuje odpowiednią wentylację. Maksymalna długość polan wynosi 500 mm, co zwiększa wygodę użytkowania, a waga około 148 kg świadczy o solidnej konstrukcji i trwałości urządzenia.
Wkład kominkowy stalowy Defro Intra SM BP Slim to nowoczesne rozwiązanie, które łączy wysoką efektywność energetyczną z estetycznym designem, zapewniając ciepło i komfort w każdym domu. Dzięki zaawansowanej technologii i dbałości o szczegóły, seria DEFRO HOME INTRA SLIM spełnia oczekiwania nawet najbardziej wymagających użytkowników, oferując niezawodne i ekologiczne źródło ciepła. Defro Intra SM BP Slim to idealny wybór dla tych, którzy pragną połączyć ekologię z elegancją w swoim wnętrzu.
Moc nominalna: 6 kW
Zakres mocy: 3,6 - 7,2 kW
Klasa efektywności energetycznej: A+
Średnica czopucha: 200 mm
Sprawność: 82,7%
Emisja CO przy 13% O2: 0,1%
Temperatura spalin: 224°C
Ciąg kominowy: 12±2 Pa
Maksymalna długość polan: 500 mm
Średnica dolotu powietrza: 125 mm
Pole czynne wlot: 300 cm²
Pole czynne wylot: 420cm²
Waga: ~148 kg
